+49 15158866778  Carl-Ludwig-Seeger-Str. 10, 55232 Alzey, Germany
You are here: Main page

Welcome

PreSORBEcon is engaged in Process engineering and Sorbent Consulting with advisory competence in:

  • Selecting of sorptive materials for various industrially relevant applications from the portfolios of all leading material suppliers.

  • Basic dimensioning of the adsorption units.

  • The employed operating modes for adsorption and desorption.

  • Start-up and shut down operation of the units.

  • Operation review, trouble shooting.

  • Optimization of existing units.

Since adsorption and catalysis has numerous similarities in common, PreSORBEconhas also competence in selected heterogeneous catalytic processes of the refining and petrochemical industries.

Who we are

What is it all about?

An adsorption process is defined as separation of the adsorbate components from a gas or liquid mixture by transfer of one or more components onto the surface of the microporous solid adsorbent. Desorption is the release of the adsorbate from the microporous adsorbent material. Adsorption and desorption are equilibrium processes strongly depending on operating temperature, pressure and the physico-chemical nature of both the adsorbate and the adsorbent.

Adsorption processes can be classified into two major categories, based on the underlying desorption principles. One is the “thermal swing” adsorption (TSA). The other one is the “pressure swing” adsorption (PSA). Adsorption and desorption are controlled by both temperature and pressure of the adsorbate. Changing temperature and/or pressure switches from adsorption to desorption and vice versa. This effect allows the industrially most important adsorption-desorption cycle. As a rule of thumb: Low temperature and high pressure result to charging of the adsorbent with the adsorbate called adsorption, high temperature and low pressure to the release of the adsorbate from the adsorbent called desorption, respectively.

Applications

Adsorbents – Pick the right one for your application

According to UPAC Adsorbents is “An increase in the concentration of a dissolved substance at the interface of a condensed and a liquid phase due to the operation of surface forces. Adsorption can also occur at the interface of a condensed and a gaseous phase”. More nicely phrased: It is the adhesion of atoms, ions or molecules from gas, liquid or dissolved solid onto a surface, forming a thin layer of the adsorbate on the surface of the adsorbent. Adsorption is an exclusive surface effect. In contrast, absorption involves the whole volume of the material. By definition, adsorption is reversible, called desorption. Desorption can be initialized by temperature increase, pressure decrease and combinations thereof. Adsorption is the result of basically two different surface forces, namely physisorption and chemisorption.

Physisorption is based on the effect of Van der Waals forces between adsorbate and adsorbent. Although these interactions are weak, they extend over large distances. Due to Van der Waals forces, adsorption onto the already formed adsorbate layer is possible resulting to several adsorption layers. The enthalpy of physisorption based adsorption is in the order of the enthalpy of condensation. This energy is not sufficient to break bonds. Consequently a molecule does not decompose during physisorption.

Chemisorption is based on the effect of the much stronger binding forces with strengths similar to those of chemical bonds. Although the adsorption enthalpy is in the range of about 200 kJ/mol, the adsorbent surface is covered with just a monolayer of the adsorbate. In contrast to physisorption, a chemisorbed molecule can disintegrate due to its bonding with the surface atoms. An example is molecular hydrogen being adsorbed in its atomic form on the surface of transition metals.

Since adsorption is an adsorbate-adsorbent’s surface interaction phenomenon, only solids with a large inner surface have sufficient adsorption capacity for technical purposes. Such adsorbents have a multitude of channel-shaped interconnected cavities (pores), so that their inner surface is very large compared to their outer surface. The pore system exhibits an adsorbent specific pore diameter distribution. The surface areas range from 100m2/g as for silica and γ-Alumina to >2500m2/g as for wide porous activated carbon. The range of the corresponding pore diameters are from mesoporous between 2 and 50 nm, as for Silica, Alumina and wide porous activated carbon to microporous smaller than 2 nm, as for zeolites and narrow porous, activated carbon (1nm = 10 Angstrom). As a rule of thumb: Adsorbents with larger pores pick up larger amounts of adsorbates. Adsorbents with smaller pores, however, in total pick up less adsorbates, but offer higher adsorption power to adsorbates with low concentration in the fluids to be treated.

To any adsorbent there exists a characteristic isotherm, which correlates the free adsorptive concentration, expressed as g/m³ or as partial pressure in Pa, with the amount of adsorbate bound in equilibrium, expressed as kg adsorbate per kg adsorbent (kgadsorbate/kgadsorbent), measured at constant temperature. Such isotherms are key information for both, the design and operation of absorber units.

Industrially relevant adsorbents exhibit, sufficient mechanical integrity, as well as chemical resistivity and temperature stability. Furthermore, they are available on large scale. Prominent candidates are activated carbon, alumina, silica and zeolites. In contrast to the non-zeolitic, amorphous materials, zeolites are crystalline compounds with a well-defined, almost perfect crystal structure providing a high degree of stereo-selectivity.

Activated Carbon consists of either mesoporous or microporous charcoal with varying surface areas and pore diameters. Activated carbon is amorphous, hydrophobic and especially useful for the adsorption of organic compounds. Activated carbon adsorbers are preferably regenerated employing pressure swing, since thermal swing regeneration is limited to temperatures of 200ˆC max.

Alumina is a porous, mostly crystallized modification of aluminum oxide, also known as activated alumina or Al2O3 with internal surface areas of >200m2/g, allowing the uptake of water vapor and other molecules through adsorption. As a desiccant, activated alumina can be used to dry compressed air and other gas and liquid streams. Additionally, the adsorbent is often used to purify gas streams by the selective adsorption of specific molecules, such as desulfurizing treatment for natural gas.

Silica gel is an amorphous, highly porous composition of silicon dioxide SiO2 and hydroxyl-groups (OH-). It is built up by irregularly oriented silicon-oxygen tetrahedra resulting to an amorphous tridimensional framework with nanometer-scale voids and pores. Since such cavities may contain water or some other liquids, silica must be dried prior to its adsorption ready use. Such silica is named xerogel. Pore volume diameters are from <2nm to > 50nm, the corresponding surface areas vary from about 100 to about 1000 m2/g. Silica is the working horse for bulk water vapor removal. It is often used as guard bed in combination with other adsorbents.

Zeolites 3A, 4A, 5A. Industrially relevant adsorber zeolites are artificially crystallized alkaline- and earth-alkaline alumina-silicates. They consist of tetrahedral SiO4 and AlO4 building blocks, forming micro-porous structures. Each aluminum and silicon tetrahedron carries a negative charge, which has to be neutralized with a metal ion (M’, M’’) such as Na+, K+ and/or Ca2+. The SiO4 and AlO4 tetrahedra are forming “Sodalith cages” (β-cages), stacked in a cube resulting to the A type zeolite. The A type zeolite framework with its pore structure is stereo-selective; i. e. smaller molecules with the right dynamic dimensions may enter the pores, whereas larger molecules will be rejected.

The 3 A type zeolite is produced via a Na+ -> K+ ion exchange starting from a 4 A type zeolite with a pore diameter of about 4 Angstrom or 0.4 nm, whereas the larger K+ ions are narrowing the pore diameter by about 1 Angstrom or 0,1 nm. Analogously, the 5 A type zeolite is made via a Na+ -> Ca++ ion exchange again starting from the 4 A type. The partial replacement of the larger Na+ by the smaller Ca++ ions leads to a pore opening by about 1 Angstrom or 0,1 nm. The 5A mole sieve for instance is useful for n-iso-paraffin separation via PSA.

Zeolites X and Y have a structure, which resembles that of zeolite A but with the “Sodalith Cages” (β-cages) arrangement creating a diamond-like array. Access to the main pore is controlled by a 12-oxygen ring with an opening of 0.74 nm. Zeolites X and Y differ only in silicon/aluminum ratio and hence their corresponding cation contents of sodium and calcium. The X type shows a Si/Al ratio of ∼1.0–1.4 and the Y type one of ∼1.5–3.0. The X zeolite exhibits a lower thermal and hydrothermal stability than the Y zeolite. The X type is generally applicable for the adsorption of volatile organic compounds (VOCs).

X Type is commercially available as molecular sieves 13X (sodium form) and 10X (calcium form). Ion-exchanged forms (K, Ba, Sr) of both X and Y can separate liquid mixtures and have been developed by UOP to separate p-xylene from its isomers (Parex process = Para-Xylene extraction), ethylbenzene from its isomers (Ebex = Ethylbenzene extraction), and in the Sarex process to separate fructose and glucose from mixtures thereof.

Li-X and USY Zeolites are further members of the Zeolites X and Y family. In the Li-X type Li has replaced Na by up to 90%. This adsorbent picks up nitrogen very well and is dedicated to PSA oxygen enrichment devices for medical applications. Ultra-Stabilized-Y Sieve or USY is characterized by a substantially de-aluminized Y type zeolite with improved thermo-mechanical stability. Due to its degree of de-aluminization, USY is hydrophobic and therefor useful for the adsorption of VOC from off gas streams.

ALPO-SAPO. ALPO materials consist of alternating AlO4 and PO4 tetrahedral building blocks forming various zeolite-like, microporous structures. The corresponding manufacturing routes comprise the use of organic templates in order to control the shaping of the cavities. ALPOS’ thermo-mechanical stability still rules out their usage in large scale industrial adsorber units. Instead, they appear to be suitable for water based chemical heat storage in climate devices, because they release water already at temperatures around 100°C. SAPOs are structurally, physico-chemically and also in terms of application similar to ALPOs. They are built up by alternating SiO4, AlO4 and PO4 tetrahedra.

Novel Adsorbents MOF, ZIF The recently developed metal–organic frameworks (MOFs) and metal imidazolate frameworks (ZIFs) are, similar to zeolites, compounds with almost perfect crystal structures and well defined pore configurations. Although these materials exhibit atom configurations, very different from those of established zeolitic adsorbents, some promising results have been reported mainly in the field of gas separation, also in combination with membranes.

At this moment in time a large scale industrial use of MOF and ZIF has not been reported, probably due to expensive and complicated syntheses routes and their much lower temperature stabilities. The latter would only allow PSA regeneration. Consequently, for the foreseeable future MOF and ZIF are not expected to play a major role in industrially relevant, large scale processes.

Catalysis is a phenomenon by which chemical reactions are accelerated through small quantities of foreign substances, named catalysts. A suitable catalyst can enhance the rate of a thermodynamically feasible reaction, but cannot change the thermodynamic equilibrium. Most catalysts are solids (heterogeneous) or liquids (homogeneous), but they may also be gases (also homogeneous).

Heterogeneous catalysis bases on a process where the phase of catalyst differs from those of the reactants and products.

A heterogeneous catalyst is a functional material that continually creates active sites with its reactants under reaction conditions. These sites change the rates of chemical reactions of the reactants localized on them without changing the thermodynamic equilibrium between the materials. The reacting substances are in different physical states during a chemical reaction, i.e. when there is a phase boundary between the catalyst and the reaction mixture. The catalyst is usually a porous solid, while the reactants are gaseous or liquid. Catalysis is commonly used in the chemical industry, in energy conversion and environmentally important cleaning up processes.

Examples of heterogeneously catalyzed reactions are dehydrogenation, alkane isomerization, polymerization, alkylation, oxidation, hydrocracking, ammoxidation, fluid catalytic cracking, hydro carbon synthesis, exhaust gas alteration from hydrocarbon combustion. Typical catalysts are metals, metal oxides carried on highly porous materials such as silica, silica-alumina, alumina, furthermore metal ionic sites in zeolites. PreSORBEconhas experience in dehydrogenation and hydrogenation processes, as well as hydrocracking.

Air Drying

Air is a gas mixture of several gases, where the most dominant components are O2 21 % mol and N2, 78.5 % mol. Air also contains smaller amounts of H2O, Ar2, CO2 and very small amounts (traces) of other gases. Air is basically naturally occurring but human activities and their intensification over the years have also an impact on the composition of air. As a result, human made pollutants may be toxic, or some of them may contribute to the warming effect of the earth with all possible consequences.

Air is used on the one hand as resource for the production of some of the most important industrial gases for the use in the industry as O2 and N2. In addition, as compressed air it is considered to be the fourth utility after Electricity, Gas Fuel and Water.

In order to use air as an industrial gas resource or as a powering utility it needs to be compressed and conditioned according to the requirements of the downstream processes. Atmospheric air always contains H²O, which severely effects corrosion of the piping network necessary for its distribution to the various users. Dried Compressed air is used as feed in many downstream processes such as air separation, ammonia and methanol production.

Especially cryogenic air separation needs efficient feed drying otherwise icing and subsequent plugging of the entire process system may occur.

The adsorbent materials for air drying can be activated aluminas, silica gels, activated carbons, molecular sieves as well as combinations of the above, depending on the targeted dew point and the specifications of the further downstream processing.

The air drying process is typically accommodated in twin vessels filled with the appropriate adsorption materials. One is in the adsorption mode while the second is in the regeneration mode.

There are three different methodologies to regenerate the desiccants in the adsorption vessels, namely:

Regeneration by Heated Purge Gas

In these Dryers a slip stream of the product is heated up by means of heat exchanger operated with steam or an electric heater (depending on the set up of the unit). Typically 15 to 20 % of the product stream is used for regeneration. When using a blower/compressor it is possible to recycle this air off-gas by knocking down and removing the liquid water.

Blower Regenerated Dryers

Ambient air is blown over an electric heater and brought into contact with the desiccant to be regenerated. This type of dryers lowers significantly the energy consumption, as the regeneration air does not to be compressed to the normal required pressure level. However, this process is limited in achieving very low dew points.

Pressure Swing Adsorption Air Drying (heatless)

Cold regenerated or heatless adsorption dryers are based on the principle of the pressure swing process (PSA) and are desorbed without additional external heat input. This regeneration method is based on using a dry air slip product stream expanded to atmospheric pressure for regeneration. The dry slip stream, heated up by prior adsorption process, is used for the desorption step. The following sketch depicts such a PSA unit comprising of two vessels, one in adsorption and one in desorption modes. The slip stream represents 10-20 % of the feed. The method is good für smaller units.

Natural Gas (NG) Drying and purification

Natural gas is probably the most prominent contributor to the world’s fossil energy supply. Due to its organic origin raw NG is saturated with water and furthermore contains varying concentrations of acid gas components such as CO2, H2S and other sulphur compounds. Therefore, prior to its further use, it is necessary to adjust the NG to the required market purity standards (sales gas grades).

NG is not only a pivotal energy source, it is also of fundamental importance as starting material for the syntheses of many basic chemicals essential for the production of more complex materials such as polymers, lubricants, fertilizers, pharmaceutical precursors.

  • Natural gas drying for usage in pipe grid allows H2O contamination typically < 40 ppm v (Europe).

  • For natural gas liquefaction (LNG), suitable for long distance transportation to remote areas without pipeline infrastructure, the gas requires H2O content typically below 1 ppm v. In recent years LNG operators are requesting NG with H2O concentration below 0,1 ppm v. This is in order to avoid any icing of the LNG unit cold box.

  • For liquefaction and for further downstream processing also other gas species such as H2S, COS, RSH and CO2 need to be removed according to the process related specifications

Drying and Dewpointing of Natural Gas (NG)

Natural gas from producing fields as well as from storage facilities such as salt caverns needs to be dehydrated and cleaned from undesired hydrocarbons. This is to avoid the occurrence of water and hydrocarbon condensates in the pipeline systems on the way to the consumers. Dehydration can be achieved by

  • Condensation using refrigeration

  • Absorption using methanol or glycol injection

  • Adsorption with solid desiccants

Hydrocarbons can be removed by

  • Condensation at Reduced Temperatures using auto- or utility refrigeration

  • Adsorption with a solid desiccant

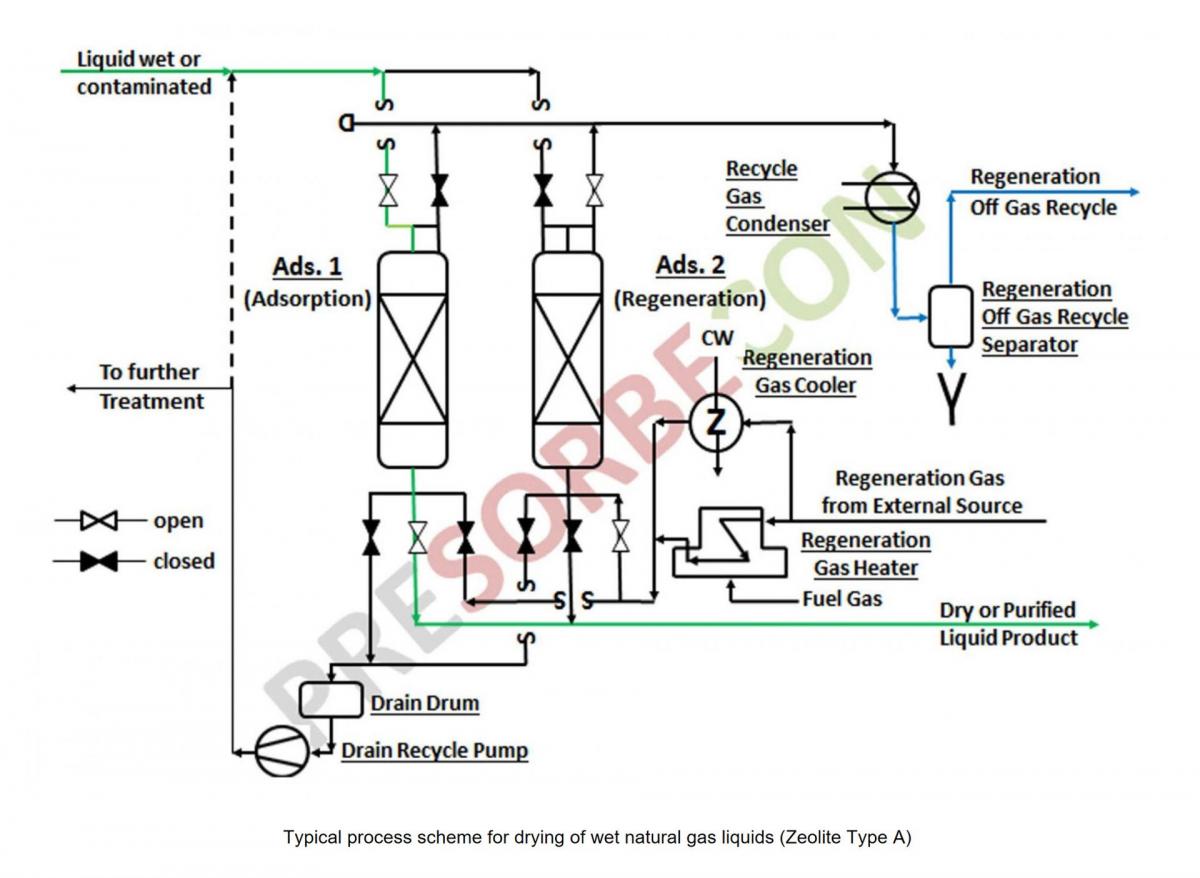
The following scheme depicts a typical gas drying unit based on solid desiccants, which can be applied fordrying of natural gas (NG).

Since very often both drying and hydrocarbon removal can be achieved by using solid adsorbing materials, for many gas providers a combined process is the methodology of choice. In contrast to refrigeration, adsorption delivers a robust and simple process, very well operable and especially suitable for remote field gas areas. Silica gel offers the ability to meet both hydrocarbon and water dew point specifications in one process system.

Water is removed from the natural gas by physical adsorption on a fixed bed of silica gel.

It also can remove pentane and heavier hydrocarbons (C5+), which means it is highly effective in removing the components that influence the hydrocarbon dew point (HCDP).

Water and heavier hydrocarbons are subsequently desorbed by thermal regeneration using for instance raw gas at elevated temperature i.e. Temperature Swing Adsorption (TSA).

In case further contaminants need to be removed it is possible to add additional layers of molecular sieves and other active materials.

Natural Gas Liquids (NGL) Drying and Purification

In natural gas processing units beside the product gas (C1) also liquid streams (C2+) are generated. The treated liquid streams are very suitable as raw hydrocarbon feeds for downstream refinery and petrochemical units. Usually they are separated in fractions i.e. C2, C3, C4, C4+. The fractionation takes place either in the natural gas plant or in downstream refinery or petrochemical plants. Such streams need to be dried and desulfurized. Adsorption technology plays a key role. Typical processes are:

  • Natural gas liquids drying for usage in downstream units

  • Natural gas liquids purification removing species such as H2S, COS and RSHmeeting downstream specifications

Since very often both drying and hydrocarbon removal can be achieved by using solid adsorbing materials, for many gas providers a combined process is the methodology of choice. In contrast to refrigeration, adsorption delivers a robust and simple process, very well operable and especially suitable for remote field gas areas. Silica gel offers the ability to meet both hydrocarbon and water dew point specifications in one process system.

Water is removed from the natural gas by physical adsorption on a fixed bed of silica gel.

It also can remove pentane and heavier hydrocarbons (C5+), which means it is highly effective in removing the components that influence the hydrocarbon dew point (HCDP).

Water and heavier hydrocarbons are subsequently desorbed by thermal regeneration using for instance raw gas at elevated temperature i.e. Temperature Swing Adsorption (TSA).

In case further contaminants need to be removed it is possible to add additional layers of molecular sieves and other active materials.

Natural Gas Liquids (NGL) Drying and Purification

In natural gas processing units beside the product gas (C1) also liquid streams (C2+) are generated. The treated liquid streams are very suitable as raw hydrocarbon feeds for downstream refinery and petrochemical units. Usually they are separated in fractions i.e. C2, C3, C4, C4+. The fractionation takes place either in the natural gas plant or in downstream refinery or petrochemical plants. Such streams need to be dried and desulfurized. Adsorption technology plays a key role. Typical processes are:

  • Natural gas liquids drying for usage in downstream units

  • Natural gas liquids purification removing species such as H2S, COS and RSHmeeting downstream specifications

Refinery Applications

Refinery of crude oil is a key activity in the process industry. The goal of oil refining is twofold:

1. The production of fuel for transportation, power generation and heating purposes

2. The production of feedstocks for the chemical and petrochemical industries

Therefore it is fair to say that the petroleum and its refining have significantly shaped today’s world.

Modern refineries are very complex plants comprising a huge number of process technologies. Such technologies have evolutionary developed in the refining history of more the 150 years. The ongoing target for refining engineers was to extract from the crude oils the highest values in terms of quality fuels and quality feeds for chemical and petrochemical plants. In this high-technological environment adsorption technologies play a prominent role in applications such as:

  • Hydrogen streams purification and drying

  • Drying of gaseous or liquid refinery side streams

  • Drying and conditioning of alkylation or isomerization unit feed streams

  • Chloride removal from refinery gas and liquid streams

  • Iso/normal separation of refinery streams

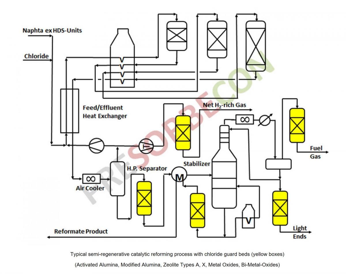
Chloride Traps

In refinery petrochemical processes chlorides are introduced mainly by the following two ways:

1. Some crude oils naturally contain inorganic (H-Cl, M-Cl) and organic (R-Cl) chlorides. As chlorides are contributing to severe fouling and corrosion, almost from the beginning chloride removing procedures were engineered, such as desalters and the injection of chemical additives, in order to keep piping and reactors chloride-free.

2. Another source of chlorides in refinery and petrochemical plants comes from particular catalytic processes itself, where organic chlorides are injected. This is done mainly during either the non-continuous or the continuous catalyst regeneration steps in order to maintain the acidity of the catalyst in use. A typical example is reforming of hydro-treated naphtha for desulphurization, an important component in the gasoline pool of the refinery fuels production. Furthermore, some catalytic processes e.g. UOP’s Oleflex process -dehydrogenation for the production of olefins from paraffins- and isomerization rely on treatment with acidic chlorides for restoring their catalytic activity.

From such catalyst recovery it is known that chlorides are not permanently bound onto the catalyst support. Therefore, over time they are emitted into the refinery process streams in form of H-Cl or R-CL downstream the reactor section. The effects of such chloride contaminated streams are:

  • Corrosion of downstream piping and equipment

  • Formation of ammonium chloride salts also leading to severe fouling of downstream piping and equipment and subsequent pressure drop issues

  • Side reactions in the presence of unsaturated C2 to C4 monomers, which concentration depends on the catalyst acidity, lead to formation of green oil, a polymeric material as formed under the operating conditions.

Plant operators very soon understood the importance of protecting their assets and installed Chlorides removing guard beds after the reactor sections. Before the year 2000 the operators were only aware of inorganic chlorides and consequently focused on their removal. Later they understood that R-Cl partially decomposed to H-Cl in the downstream sections creating further corrosion and fouling damage.

Since 1949 after the start-up of the first semi-regenerative reforming unit by UOP, activated alumina was in use as chloride capturing guard bed. Such guard bed operated in the gas phase proved to be effective with a breakthrough capacity in the range of 8-10 % wt. chlorides. This technology was further improved in parallel to the development of the general reforming technology.

In the 70’s novel adsorbing materials were developed. Objectives were to improve the break through capacity of guard beds, especially in liquid applications and to suppress the “green oil “formation in some gas phase applications. Activated aluminas modified by impregnation with alkaline and earth-alkaline ions became available with increased breakthrough capacities in both gas and liquid phase operations and reduced green oil formation. At the same time special, formed zeolites have been proved to be very effective having a good breakthrough capacity producing practically no green oil and showing the best capacity for removing R-CL.

For capturing of total chloride contamination metal oxides (MO) and bi-metal oxides (MMO) were also introduced due to their claimed higher adsorption capacities and their better performance especially at higher temperatures.

The following flowsheet depicts semi-regenerative reforming unit indicating also the typical position of the chloride guard beds in yellow downstream the reactor sections.

The next flow scheme shows the same, however for a CCR (Continuous Catalyst Regenerator) after UOP.

The separation of mixtures of normal- and iso-paraffins hydrocarbon streams into two fractions by selective adsorption based on molecular size is a conventional procedure, which takes advantage of the uniform diameters of pores of modified 5A molecular sieves. The adsorption of n-paraffins from the at high temperatures vaporized mixture takes place on the 5A molecular sieve beds, where the iso-paraffins pass by. The desorption takes place at lower pressures or higher temperatures usually with the aid of a suitable displacement gas. The following scheme shows a n-iso-paraffin separation unit with NH3 as displacement gas.

Petrochemical Applications

The following figure depicts the interconnections between a petrochemical plant (light brownish shaded) -in this case an olefin plant- with a refining (blue shaded) and a natural gas plant (yellow shaded).

Furthermore typical adsorption applications in an olefin (ethylene) plant are described.

Dryers in Ethylene Plants

A complete removal of the water contained in the cracked gas is mandatory in order to avoid plugging of downstream cryogenic sections due to water freezing or formation of hydrates. Depending on the cracked feedstock and the configuration of the ethylene plant the following dryers may be in operation:

1. The charge gas dryer or main ethylene dryer, located after the acid gas removal unit

2. The condensate dryer for conditioning the gasoline stream from the condensate stripper

3. The acetylene converter or secondary dryer downstream of the C2 acetylene converter

4. The MAPD converter dryer downstream of the MAPD converter

5. The hydrogen dryer downstream of the methanator for upgrading the hydrogen stream from the cold box and/or the PSA unit for hydrogen of high purity.

The first three are mandatory for all ethylene plants and will be shortly discussed:

The Charged Gas Dryers or Main Cracked Gas Dryers

The main cracked gas dryer is positioned in the compressor section downstream of the acid removal unit (caustic and water wash tower). A complete removal of water to a level below 0.1 ppm v is mandatory. As the compressor section of an ethylene plant is prone to severe fouling and the charge gas dryers are positioned within this section, the adsorption materials in use have to be resistant against fouling caused by oligomerization and polymerization reactions, which frequently occur in this area.

Today the use of a specially developed 3A molecular sieve represents the state of the art technology for operating such dryers.

The main technical and commercial reasons for using 3A molecular sieves, replacing mainly activated alumina by end of the 60ties, are listed in the following:

  • Achieving gas specifications < 0.1 ppm vol. water content

  • Achieving significant lower “green oil” formation

  • Achieving longer on-stream time

  • Significantly lower losses of hydrocarbons into the regeneration off gas due to co-adsorption of hydrocarbons, outperforming other types of adsorption materials

  • In general more economical to regenerate

A typical charge gas dryer unit set up consists of two or three dryers depending of the size of the ethylene plant. One or two dryers are in the adsorbing mode, while the remaining vessel is in the regeneration mode, similar to NG dryers.

The Condensate Dryers

The water/hydrocarbon condensates as generated in the compressor section are containing significant amounts of olefins (ethylene, propylene). Therefore the olefins have to be separated and re-fed to the separation process downstream of the compressor section. Prior to the re-feeding the condensate has to be dried to specification below 1 ppm wt water. Typically, two dryers are required, one being in operation and one in regeneration or in standby mode. The hydrocarbon condensate contains oligomer and/or polymer precursors, which have been formed in the upstream section. Therefore, the state of the art adsorbent for this application is a special 3A type molecular sieve with low fouling properties. A typical set up for such unit is very similar to the NGL drying unit, as shown above.

The Acetylene Converter Dryer or Secondary Dryer

The secondary drier is positioned between the acetylene converter and the ethylene splitter. Its purpose is to eliminate any moisture potentially formed in the converters. Before entering the splitter the olefin rich feed needs to be dried below 1 ppm vol. water. Also for this drying duty the adsorbent has to be a 3 A Type molecular sieve with low polymerization and coking properties.

Industrial Gas Plant Applications

As discussed in detail in the chapter about air drying, air is the most important source for the production of a number of industrially relevant gases such as: N2, O2 and Ar. Another important gas is H2 generated by steam reforming, partial oxidation of fossil hydro carbons and water electrolysis.

- Air Separation

N2, O2 and Ar are produced through the cryogenic fractionation of atmospheric air. Prior to the fractionation step the air is compressed typically to about 6 to 15 bar and then dried by cooling and/or adsorption beds.

The following two schemes are showing two cryogenic air separation units, one with the pre-cooling section comprised of direct contact cooler followed by a TSA adsorption unit, the other with pre-cooling comprised of refrigeration heat exchanger and TSA adsorption unit.

Modern adsorber units work in the PSA mode, consisting of two or more vessels. Typically one of the vessels is in the adsorption mode. All other vessels are in various stages of regeneration. All vessels are filled with molecular sieve adsorbents such as zeolite, activated carbon or silica gel and activated alumina. The complete PSA cycle comprises the following steps.

  • Pressurization of the column with the feed

  • Adsorption at elevated pressure

  • Depressurization by vacuum pump

  • Desorption by purge stream at lower operating pressure

  • Repressurizing/stand by

- Hydrogen

Hydrogen is generated by steam reforming, partial oxidation of fossil hydrocarbons and water electrolysis. Besides, H2 also occurs frequently as side product in refinery (reforming unit, coking unit and other) and petrochemical applications (olefin plant and other). Such H2 side product stream needs to be purified from various undesired components prior to its further use. This typically happens in PSA units similar to the H2 production processes downstream of steam reforming units, partial oxidation units, reforming units and ethylene units.

Ethanol Drying

Ethanol also referred to as ethyl alcohol or just alcohol is an important base material for various applications. Beside alcoholic beverages, it has applications in chemicals, pharmaceuticals and cosmetics and it is also used as a transportation fuel additive. Bioethanol is recognized as fuel with the appearance of combustion engine powered automobiles. Otto’s first prototype engine (1860) was to run on pure ethanol. Carl Benz’ first three-wheeler (1885) was fueled with an ethanol/gasoline mix and Henry Ford’s first famous Model T (1908) was equipped with an alcohol powered engine. In the early 20th century ethanol, however, lost its importance as car fuel due to cheaper petroleum based fuels and the competition of the emerging oil companies. At the end of 20th century, however, ethanol as biofuel revived for the following reasons:

  • The obvious threats to energy security

  • The rising of prices of the fossil based fuels combined with supply constrains

  • The evidence of global warming due to increasing release of greenhouse gases (GHG) Bio ethanol and Biofuels in general are referred to be CO2 invariant.

  • Rural development reasons

The making of bioethanol comprises the following steps: Fermentation, distillation and drying by adsorption. By fermentation using yeast, alcohol is obtained from various agricultural materials that contain sugar, starch or cellulose. In additional process steps such as distillation and subsequent drying the ethanol is refined and concentrated to obtain the highest concentration and the highest possible purity. The ethanol recovery from aqueous vapors of composition beyond the azeotrope through PSA is feasible by employing suitable zeolite materials. Very low water concentrations (~0.05 wt% water) can be achieved. The gas phase PSA for drying ethanol is the technique of choice. Liquid phase adsorbers are mostly running in small drying units in the TSA mode.

The following scheme shows a PSA operated ethanol drying unit, connected to the rectifier of an ethanol plant

Syngas and Gas to Liquid Technologies

Synthesis Gas or Syngas is the general term for the description of hydrogen and carbon monoxide gas mixtures in various ratios. Since the 18th century syngas and steam are of pivotal importance to the industries as energy source as well as starting material for the synthesis of more complex chemicals. There are basically three industrial relevant methods of producing syngas, namely:

1. Partial oxidation of coal, gasification with steam and O2 for air or from oxygen plants.

2. Steam reforming of natural or light hydrocarbons in the presence of O2 and CO.

3. Partial oxidation of heavy hydrocarbons (resides) in the presence of steam and CO.

In the first quarter of the 20th century it was found that syngas is very useful for large scale production of ammonia and subsequently fertilizers. This applies also for the methanol synthesis from syngas, a very important intermediate material for the production of further key chemicals such acetic acid, formaldehyde, MTBE.

In 1925 the German coal researchers Fischer and Tropsch discovered that syngas can be catalytically converted into a wide range of longer chain hydrocarbons and/or alcohols. The Fischer-Tropsch process

(F-T) exclusively uses syngas as feed. The resulting products can be liquid low-sulphur fuel precursors, which have to be further worked up to high grade gasoline, diesel and fuel oils. Typically, the work up units comprise of hydro processing technologies such and hydrogenation and mild hydrocracking.

In the past the production of synthetic fuels via F-T was rather limited to special cases as e.g. during world war II in Germany the production of fuels from coal or since 1950 in South Africa through the Sasol plants. In both cases the justification was to reduce the countries dependences from imported fuels. After the year 2000, however, the F-T technology has seen a revival as a methodology to convert natural gas from remote areas to easier transportable liquid fuels. The used process route is the generation of syngas and its purification as the first step. It is followed by the F-T synthesis and the downstream work-up step resulting to high-quality synthetic fuels.

Similarly, the production of liquid fuels or alcohols using the F-T technology is possible from coal and heavy petroleum resids (CTL), natural gas and light hydrocarbons (GTL) as well as from organic biomass (BTL). The following sketch depicts the above mentioned interconnected process engineering stages.

Adsorption techniques are heavily involved along the entire process chain in order to adjust the feeds to the downstream process requirements. This is absolutely necessary to protect the involved catalysts in the several process stages from catalyst poisons.

For further information please contact PreSORBEcon:

PreSORBEcon UG
Carl-Ludwig-Seeger-Str. 10
55232 Alzey, Germany

Vassilios Zafirakis +49 17643560545 -- Mail: vassilios.zafirakis@presorbecon.eu

Hans Hoefer: +49 15158866778 -- Mail: hans.hoefer@presorbecon.eu

Main E-Mail: mail@presorbecon.eu

Still under construction are

-- Energy conversion such as sorptive heat storage systems

-- Protection of delicate products, such as optics, electronics, micro-mechanic and pharmaceuticals.

-- Excipients for the storage and controlled release of pharmaceutical, cosmetic and nutrition related active agents

-- Energy conversion such as sorptive heat storage systems

-- Static adsorbent based drying for multi-pane windows, liquid coolant drying and moisture protection of delicate products, such as optics, electronics, micro-mechanic and pharmaceutical products.

-- Another area of sorptive materials competence is the use as excipients for the storage and controlled release of pharmaceutical, cosmetic and nutrition related active agents.

We use cookies to optimize our website and to offer you the best possible online experience. By clicking on "Accept" you agree to this. For further information, please see our privacy policy. Here you can set your cookie preferences